シンクルキャリア ローラコンベアのご購入ご相談は新明工業
製品一覧
お問い合わせ
ブログ
Previous slide
Next slide
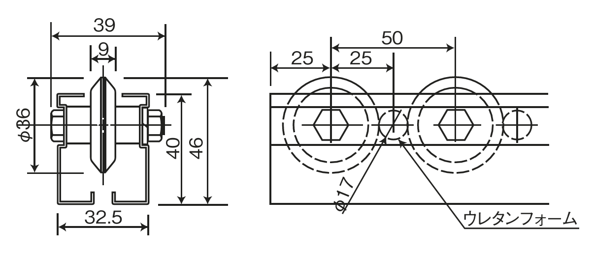
硬質クロームメッキ山形ホイールシンクルキャリア ウレタンフォーム組み込み
型番: SCA36ST
W
9mm
H
46mm
φ
36mm
耐
20kg
36STを使った製品。搬送物との接点を極力減らしています。鉄板の搬送など跡をつけたくない場合に有効。
カタログ
2D CADデータ
3D CADデータ
お問い合わせ