シンクルキャリア ローラコンベアのご購入ご相談は新明工業
製品一覧
お問い合わせ
ブログ
Previous slide
Next slide
削り出しホイールシンクルキャリア
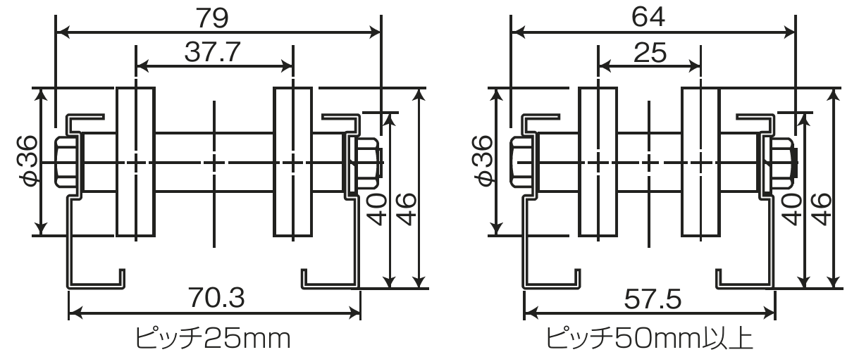
型番: SCA36SW
W
36mm
H
46mm
φ
36mm
耐
30kg
36Sを使った製品。そろばん状の配置で接点が安定し、搬送物をしっかり受け止めます。
カタログ
2D CADデータ
3D CADデータ
お問い合わせ