シンクルキャリア ローラコンベアのご購入ご相談は新明工業
製品一覧
お問い合わせ
ブログ
Previous slide
Next slide
削り出しホイールシンクルキャリア
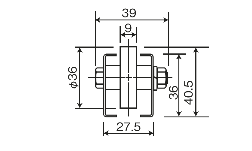
型番: SCB36S
W
9mm
H
40.5mm
φ
36mm
耐
30kg
36Sを使った製品です。SCA36Sよりも機高が低い製品。
カタログ
2D CADデータ
3D CADデータ
お問い合わせ