シンクルキャリア ローラコンベアのご購入ご相談は新明工業
製品一覧
見積・お問い合わせ
ブログ
Previous slide
Next slide
削り出しホイールシンクルキャリア
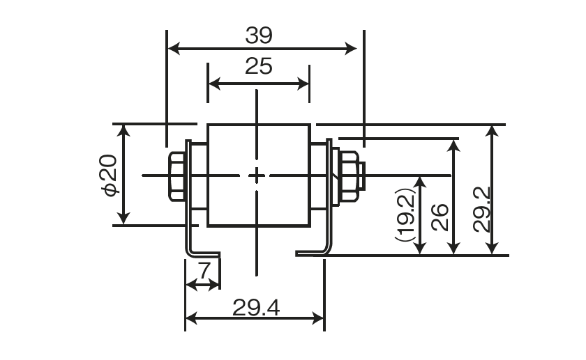
型番: SCH20L
W
25mm
H
29.2mm
φ
20mm
耐
25kg
20Lを使った製品。SCH20Sの巾広タイプ。
カタログ
2D CADデータ
3D CADデータ
見積・お問い合わせ