シンクルキャリア ローラコンベアのご購入ご相談は新明工業
製品一覧
お問い合わせ
ブログ
Previous slide
Next slide
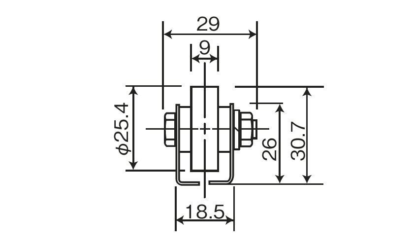
削り出しホイールシンクルキャリア
型番: SCH25S
W
9mm
H
30.7mm
φ
25mm
耐
20kg
25Sを使った製品。シンクルキャリアの定番商品。
カタログ
2D CADデータ
3D CADデータ
お問い合わせ