シンクルキャリア ローラコンベアのご購入ご相談は新明工業
製品一覧
見積・お問い合わせ
ブログ
Previous slide
Next slide
削り出し片ボスホイールシンクルキャリア
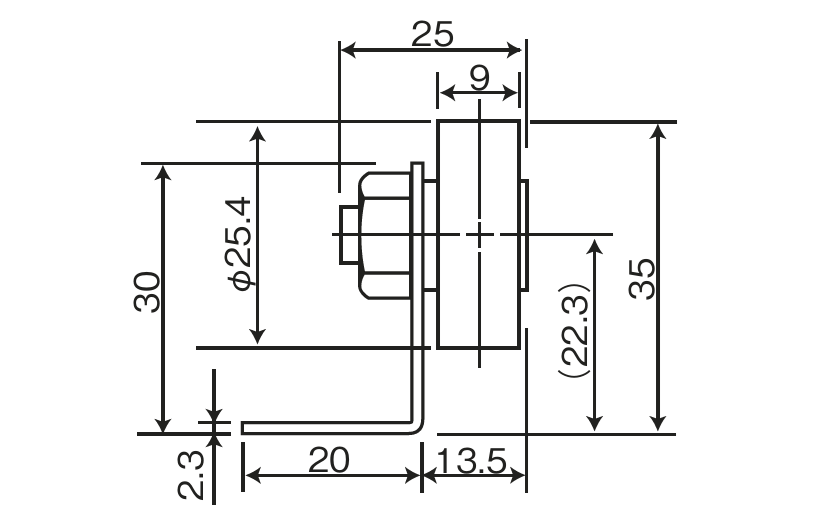
型番: SCH25SB
W
9mm
H
35mm
φ
25mm
耐
5kg
25SBを使った製品。片持ち型で狭い所に最適。
カタログ
2D CADデータ
3D CADデータ
見積・お問い合わせ