シンクルキャリア ローラコンベアのご購入ご相談は新明工業
製品一覧
お問い合わせ
ブログ
Previous slide
Next slide
硬質クロームメッキホイールシンクルキャリア
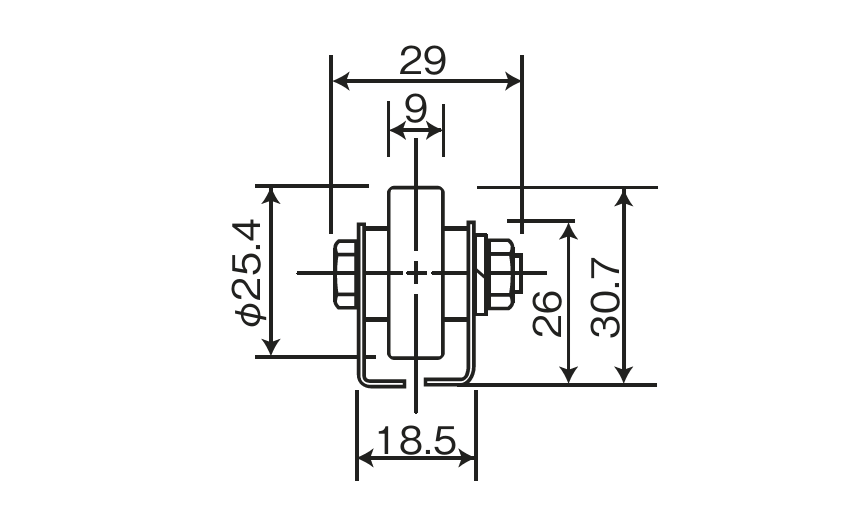
型番: SCH25SC
W
9mm
H
30.7mm
φ
25mm
耐
20kg
SCH25SCを使った、SCH25Sの硬質クローム仕様。
カタログ
2D CADデータ
3D CADデータ
お問い合わせ