シンクルキャリア ローラコンベアのご購入ご相談は新明工業
製品一覧
見積・お問い合わせ
ブログ
Previous slide
Next slide
削り出しホイールシンクルキャリア
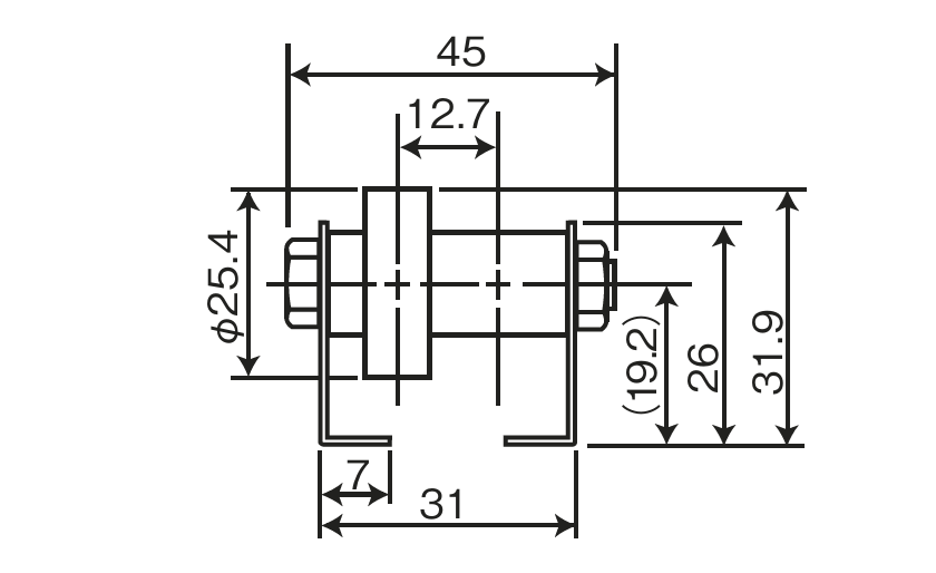
型番: SCH25SM
W
25mm
H
31.9mm
φ
25mm
耐
20kg
25Sを千鳥に配列した製品。
カタログ
2D CADデータ
3D CADデータ
見積・お問い合わせ