シンクルキャリア ローラコンベアのご購入ご相談は新明工業
製品一覧
お問い合わせ
ブログ
Previous slide
Next slide
帯電防止樹脂ホイールシンクルキャリア
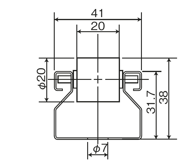
型番: SCP20CB
W
20mm
H
38mm
φ
20mm
耐
5kg
SCP36CBよりも機高が抑えられます。帯電防止仕様。
カタログ
2D CADデータ
3D CADデータ
お問い合わせ