シンクルキャリア ローラコンベアのご購入ご相談は新明工業
製品一覧
お問い合わせ
ブログ
Previous slide
Next slide
削り出しホイールシンクルキャリア
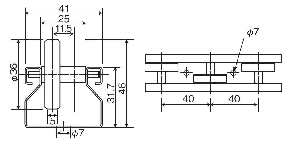
型番: SCP36SB
W
9mm
H
46mm
φ
36mm
耐
20kg
36SBホイールを千鳥に配列した仕様。
カタログ
2D CADデータ
3D CADデータ
お問い合わせ