シンクルキャリア ローラコンベアのご購入ご相談は新明工業
製品一覧
お問い合わせ
ブログ
Previous slide
Next slide
プレスホイールシンクルキャリア
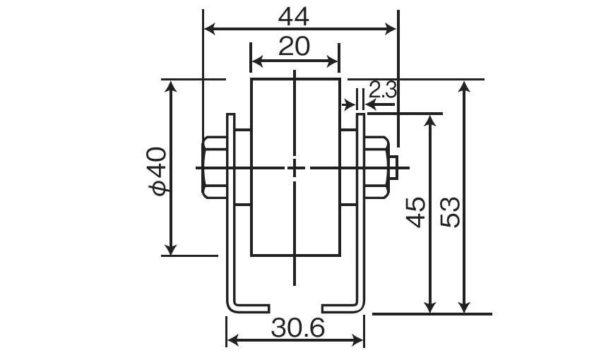
型番: SCT40P
W
20mm
H
53mm
φ
40mm
耐
20kg
40Pを使った製品。
カタログ
2D CADデータ
3D CADデータ
お問い合わせ