シンクルキャリア ローラコンベアのご購入ご相談は新明工業
製品一覧
お問い合わせ
ブログ
Previous slide
Next slide
ローラコンベア
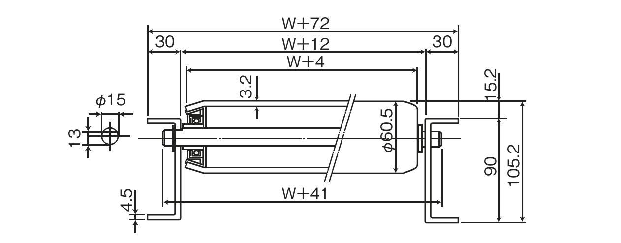
型番: SRC6015B
W
50-1000mm
H
105.2mm
φ
60.5mm
耐
200kg
Φ60.5mmの重荷重ローラ。大型・重量物の搬送に適し、メカニカルブレーキローラにも対応します。
カタログ
2D CADデータ
3D CADデータ
お問い合わせ